数码家电 / 家电展示_英国威廉希尔公司-中文网站
返回首页
用户名:
密码:
验证码:
2017年
新闻资讯
财经股票
军事武器
生活百科
科技新闻
数码家电
汽车资讯
游戏新闻
娱乐八卦
体育新闻
文化历史
教育信息
房产楼市
旅游资讯
健康养生
女性频道
明星时尚
美女图库
当前位置:
英国威廉希尔公司-中文网站
>
数码家电
>
家电展示
>
数码产品
通讯设备
家电展示
2013-11-15
2187型彩色电视机维修案例
2013-11-15
松下电视万能遥控器代码
2013-11-15
未来电视与华为联手推出史上最尖叫、最发烧机顶盒
2013-11-14
淘宝【5钻】佳的美7寸7036宽屏迷你液晶电视最新版 小电视机 热卖
2013-11-14
霸气新款摄录一体机 索尼EX280报价37500
2013-11-14
乐视网网购电视机 以系统出错为由迟迟不发货
2013-11-14
新款机ADBOX用户自评测
2013-11-14
全球首台可拍照电视 海尔发布新款高清电视
2013-11-14
32-42寸液晶电视挂架通用电视架电视机挂架壁挂支架NBC2F 新款8折
2013-11-14
夏普推出配备有网络接口新款液晶电视
2013-11-14
[电视通稿]珠海航展:新款航空发动机首秀 为中国飞机装上"中国心"
2013-11-13
北京松下电视维修400
2013-11-13
松下数码相机: 1400万像素 松下推新款三防相机TS2
2013-11-13
松下投影机: 采用3LCD显示技术 松下研发两款新投影机
2013-11-13
长虹全系列数字电视一体机整体亮相
2013-11-13
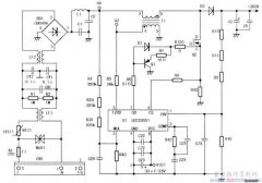
长虹LT3212(L01)液晶电视机开关电源电路分析(多图)
2013-11-13
【上海长虹电视机维修中心 长虹闪一下黑屏开不出维修】
2013-11-13
松下 65寸等离子电视机
2013-11-13
松下panasonic液晶电视机好用吗?
2013-11-13
出USB松下电视无线网卡TY
2013-11-12
青岛松下电视维修/报修热线/青岛松下液晶电视机厂家售后维修
2013-11-12
杭州松下电视机维修中心
2013-11-12
松下103寸等离子显示器TH-103PF9CK
2013-11-12
25V40RQ彩色电视机图纸下载
2013-11-12
松下P50C33C
2013-11-12
珠海松下洗衣机维修
2013-11-12
松下电视机如何进入总线
2013-11-12
P42X50C最新报价,价格,评测
2013-11-12
经典50年 长虹LT42900FHD液晶电视机卖场评测录
2013-11-12
《长虹彩色电视机上门速修速查手册(续)》(刘亚光)【摘要 书评
首页 1
2
3
4
5
6
7
8
下一页
末页
1
2
3
4
5
6
7
8
(
责任编辑
:admin)
大学的宅男腐女太过分
50年来最性感的英国比基尼女郎
重庆美女野性大片拍摄现场
更多>>
相关图文
未来电视与华为联手推
未来电视与华为联手推出史上最尖叫、最发烧机顶盒-华为秘盒,未来电视,机顶盒...
新款机ADBOX用户自评
专业从事上海卫星电视情报收集,上海卫星天线产品测评,上海卫星电视维修研究,上海卫星...
长虹LT3212(L01)液晶
长虹LT3212(L01)液晶电视机开关电源电路分析(多图)...
松下103寸等离子显示
103PF9CK是松下103寸等离子显示器,松下103PF9CK外观精美华丽,103PF9CK集松下领先技...
更多>>
相关新闻
上海长虹液晶电视机不开机维修部
松下3D蓝光机将采用DivX Plus HD
未来电视与华为联手推出史上最尖
松下新款等离子电视内置硬盘并可
供应松下电视机挂架,松下等离子
松下42PV80C等离子电视机的寿命
霸气新款摄录一体机 索尼EX280报
四核智能新机 华为Ascend G615将
松下P50C33C
华为P6拆机图解 全球最薄华为Asc
首页
|
新闻
|
财经
|
军事
|
百科
|
科技
|
数码
|
汽车
|
游戏
|
娱乐
|
体育
|
文化
|
教育
|
房产
|
旅游
|
健康
|
女性
|
明星
|
美女